产品目录  
     
SC标准气缸系列
SCD标准双轴系列
SCJ标准双轴可调系列
MAL铝合金迷你缸系列
SDA(QGY)超薄型气缸系列
MOB、HOB液压缸系列
SOB、ROB液压缸系列
HSG工程液压缸系列
Y-HG1冶金液压缸
DG车辆用液压油缸系列
NHS系列转角夹具油缸
薄型油缸系列
重型油缸系列
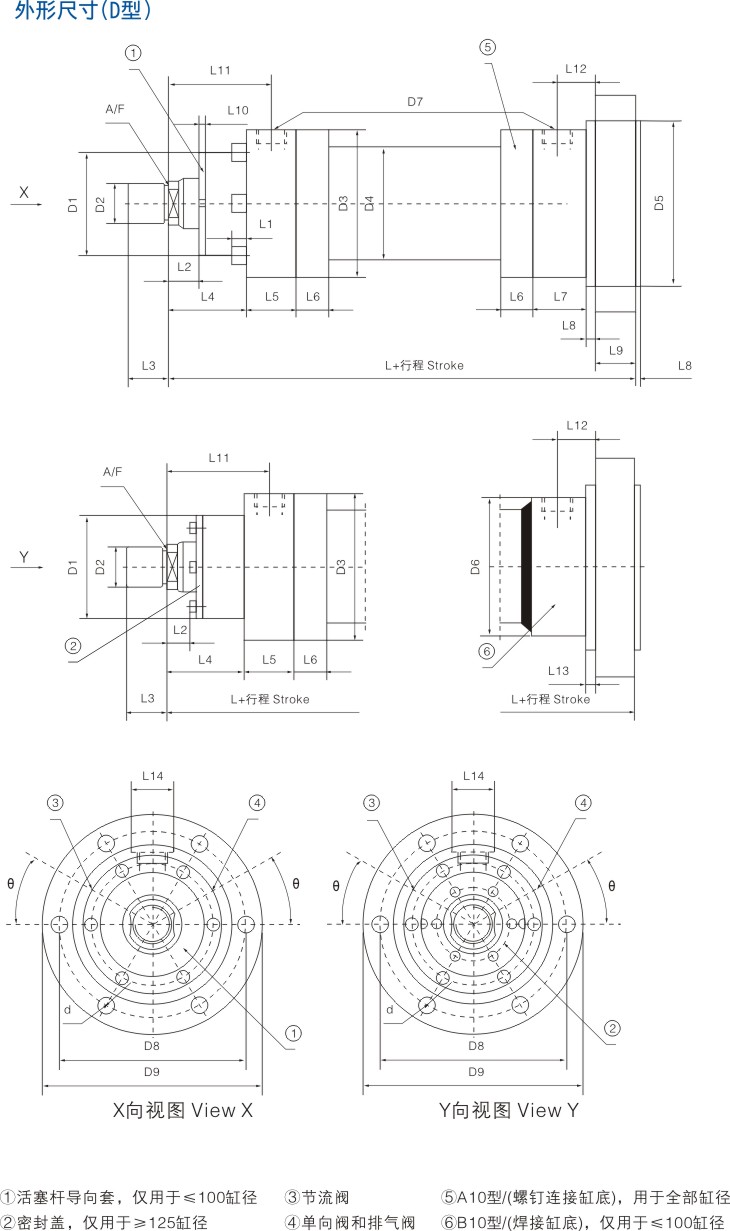
CD/CG250、CD/CG350重载液压缸
 

 
  产品展示 >> CD/CG250锟斤拷CD/CG350锟斤拷锟斤拷液压锟斤拷 >> CD350D CG350D D锟斤拷 共有 0 个产品
 

地址:永嘉县乌牛镇河口埭西路32号电话:0577-67305800  传真:0577-67308565  技术支持及维护:网联信息技术有限公司