产品目录  
     
SC标准气缸系列
SCD标准双轴系列
SCJ标准双轴可调系列
MAL铝合金迷你缸系列
SDA(QGY)超薄型气缸系列
MOB、HOB液压缸系列
SOB、ROB液压缸系列
HSG工程液压缸系列
Y-HG1冶金液压缸
DG车辆用液压油缸系列
NHS系列转角夹具油缸
薄型油缸系列
重型油缸系列
CD/CG250、CD/CG350重载液压缸
 

 
  产品展示 >> NHS系锟斤拷转锟角夹撅拷锟酵革拷 >> NHS系锟斤拷转锟角夹撅拷锟酵革拷 共有 0 个产品
 

NHS系列转角夹具油缸

产品说明:

1 向左或向右旋转后垂直下压达到夹持目的

2 为拉缸型态,可选购角度0,45,60,90度

3 缸体为高级铝合金材质,硬化处理

4 压板加长时,G值勿超过原规格1.2倍

5 入气口请加装流量控制阀,控制转角速度,避免惯性撞击

6 下压夹持时,应于垂直行程内夹紧工件

7 每次上下工件时,务必以气枪清洁活塞杆处油封上的铁屑异物嵌入油封

转角示意图:以下压方向定义左右转

    订购范例:

NHS

L-40

F X 900
机种 旋转方向 活塞尺寸     角度
NHS CW-R右 25 F-气路板式   00
NHSD CCW-L左 32 空白-管接式   450
NHTS P-不旋转 40     600
NHTSD   50     900
NHU   63      
NHUD          

四方底座型 NHS-25 NHS-32
NHTSD-32
NHS-40
NHSD-40
NHS-50
NHSD-50
NHS-63
NHSD-63
最大使用压力 70kg/cm2
一般使用压力 20-45kg/cm2
缸体动作方式 复动
转角度数 900(00,450,600,900)±20
转角行程 12 14 14 14 14
夹紧行程 14 15 15 15 15
活塞直径 25 32 40 50 63
活塞杆径 18 20 20 20 25
理论夹力(25kg/cm) 59kg 125kg 200kg 400kg 600kg
A 放松状态 100 111 113.6 114.5 118
B 70 76 80 80 85
C 23 25 27 27 32
D □25.4 □25.4 □25.4 □25.4 □32
D' □19 □22 □22 □22 □25.4
G 50 55 55 55 75
G' 100 120 120 120 140
H 10 10 10 10 11
K 9 10 10 10 12
油孔L1(夹紧)/L2(放松) 1/8PT 1/8PT 1/8PT 1/8PT 1/8PT
油路板型O-ring S4 S4 S4 S4 S4
N M10X1.5 M10X1.5 M10X1.5 M10X1.5 M12X1.75
N' Φ8 Φ8 Φ8 Φ8 Φ8
P' 40 44 48 57 70
Q 50 55 62 74 88
R Φ6.5 Φ6.5 Φ8.5 Φ8.5 Φ10.5
S Φ45 Φ50 Φ54 Φ65 Φ80
M 18 24 26 30 40
F 15 17 20 24 30
重量kg 0.8 1.0 1.1 1.4 2.3


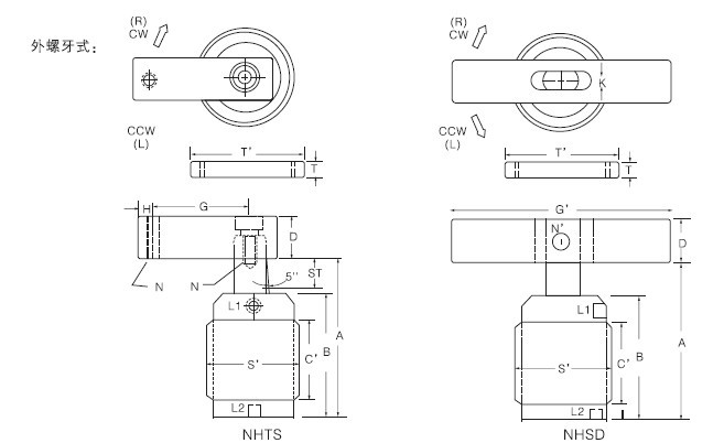
外螺牙式(订制品) NHS-25 NHS-32
NHTSD-32
NHS-40
NHSD-40
NHS-50
NHSD-50
最大使用压力 70kg/cm2
一般使用压力 20-45kg/cm2
缸体动作方式 复动
转角度数 900(00,450,600,900)±20
转角行程 12 14 14 14
夹紧行程 14 15 15 15
活塞直径 25 32 40 50
活塞杆径 18 20 20 20
理论夹力(25kg/cm) 59kg 125kg 200kg 400kg
A 放松状态 100 111 113.6 114.5
B 70 76 80 80
C 35 25 27 27
D □25.4 □25.4 □25.4 □25.4
D' □19 □22 □22 □22
G 50 55 55 55
G' 100 120 120 120
H 10 10 10 10
I 9 9 9 9
K 9 10 10 10
油孔L1(夹紧)/L2(放松) 1/8PT 1/8PT 1/8PT 1/8PT
油路板型O-ring S4 S4 S4 S4
N M10X1.5 M10X1.5 M10X1.5 M10X1.5
N' Φ8 Φ8 Φ8 Φ8
S' M45X1.5 M50X1.5 M55X1.5 M65X1.5
T(X2PCS) 10 11 11 12
T' Φ65 Φ70 Φ75 Φ85
重量kg 0.8 1.1 1.25 1.7

上安装型 NHS-32
NHTSD-32
NHS-40
NHSD-40
NHS-50
NHSD-50
NHS-63
NHSD-63
最大使用压力 70kg/cm2
一般使用压力 20-45kg/cm2
缸体动作方式 复动
转角度数 900(00,450,600,900)±20
转角行程 14 14 14 14
夹紧行程 15 15 15 15
活塞直径 32 40 50 63
活塞杆径 20 20 20 25
理论夹力(25kg/cm) 125kg 200kg 400kg 600kg
A 未夹最高点 111 113.6 114.5 118
A夹紧最低点 82      
B 76 80 80 85
C 25 27 27 32
D □25.4 □25.4 □25.4 □32
D' □22 □22 □22 □25.4
G 55 55 55 75
G' 120 120 120 140
H 10 10 10 11
I 9 9 9 9
K 10 10 10 12
油孔L1(夹紧)/L2(放松) 1/8PT 1/8PT 1/8PT 1/8PT
油路板型O-ring P7 P7 P7 P7
N M10X1.5 M10X1.5 M10X1.5 M12X1.75
N' Φ8 Φ8 Φ8 Φ8
P/P' 44/30 48/31.4 57/37.6 70/46
Q/Q' 55/68.5 62/71.5 74/87 88/10.5
R/R' Φ6.5/11 Φ6.5/11 Φ8.5/14 Φ8.5/14
S M50X1.5 M55X1.5 M65X1.5 M80X1.5
S' 49 53 63 77
X(角度) 22.50 22.50 22.50 22.50
Y 12.5 14 14 19
Z 24.9 26 27.4 19
重量kg 1.0 1.1 1.4 2.3

地址:永嘉县乌牛镇河口埭西路32号电话:0577-67305800  传真:0577-67308565  技术支持及维护:网联信息技术有限公司