|
|
|
|
| |
| 产品展示 >> Y-HG1冶锟斤拷液压锟斤拷 >> 锟斤拷通锟斤拷液压锟阶帮拷装锟斤拷锟接尺达拷
|
共有 0 个产品
|
| |
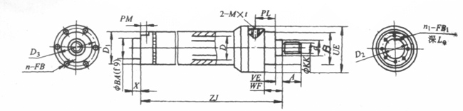
Y-HG1冶金液压缸外形尺寸 更多详情请点击下列系列分类进入!
普通型液压缸安装联接尺寸

| 缸径D |
杆端螺纹ΦKK |
d |
ΦB |
ΦBA |
D2 |
D3 |
D1 |
| |
|
| 45 |
M16X1.5 |
M20X1.5 |
22 |
28 |
48 |
20 |
42 |
66 |
54 |
| 50 |
M20X1.5 |
M27X2 |
28 |
36 |
55 |
30 |
50 |
75 |
63.5 |
| 63 |
M27X2 |
M33X2 |
36 |
45 |
70 |
38 |
60 |
90 |
76 |
| 80 |
M33X2 |
M42X2 |
45 |
56 |
86 |
55 |
75 |
112 |
95 |
| (90) |
M42X2 |
M48X2 |
56 |
63 |
100 |
55 |
80 |
132 |
108 |
| 100 |
M42X2 |
M48X2 |
56 |
63 |
118 |
68 |
95 |
150 |
121 |
| (110) |
M48X2 |
M48X2 |
63 |
63 |
132 |
60 |
95 |
165 |
133 |
| 125 |
M48X2 |
M64X3 |
63 |
85 |
150 |
80 |
115 |
184 |
152 |
| (140) |
M48X2 |
M80X3 |
63 |
95 |
165 |
95 |
132 |
200 |
168 |
| 150** |
M64X3 |
M80X3 |
85 |
95 |
175 |
105 |
140 |
125 |
180 |
| 160 |
M64X3 |
M80X3 |
85 |
95 |
190 |
110 |
150 |
230 |
194 |
| (180) |
M80X3 |
M80X3 |
95 |
95 |
200 |
110 |
160 |
250 |
219 |
| 200 |
M80X3 |
M100X3 |
95 |
112 |
125 |
120 |
170 |
280 |
245 |
| (220) |
M100X3 |
M100X3 |
112 |
112 |
240 |
140 |
200 |
310 |
273 |
| 250 |
M100X3 |
M125X4 |
112 |
125 |
280 |
160 |
220 |
340 |
299 |
| 280** |
M125X4 |
M125X4 |
125 |
125 |
300 |
180 |
240 |
370 |
325 |
| 320 |
M125X4 |
M160X4 |
126 |
160 |
360 |
200 |
280 |
430 |
377 |
| 缸径D |
UE |
VE |
WF |
ZJ |
X |
PM |
|
|
n1-FB1 |
n-FB |
| 45 |
80 |
19 |
32 |
190 |
8 |
36 |
44 |
12 |
8-M6 |
6-M8 |
| 50 |
90 |
24 |
38 |
205 |
8 |
38 |
61 |
12 |
8-M6 |
6-M8 |
| 63 |
108 |
29 |
45 |
224 |
10 |
25 |
52 |
12 |
8-M9 |
6-M10 |
| 80 |
134 |
36 |
54 |
250 |
10 |
36 |
58 |
16 |
8-M10 |
6-M12 |
| (90) |
158 |
36 |
55 |
270 |
10 |
43 |
63 |
17 |
8-M12 |
6-M16 |
| 100 |
175 |
37 |
57 |
300 |
10 |
47 |
69 |
18 |
8-M12 |
8-M16 |
| (110) |
195 |
37 |
57 |
310 |
10 |
50 |
73 |
22 |
8-M16 |
8-M16 |
| 125 |
212 |
37 |
60 |
325 |
10 |
50 |
85 |
22 |
8-M16 |
8-M16 |
| (140) |
230 |
37 |
62 |
335 |
10 |
53 |
74 |
22 |
8-M16 |
8-M16 |
| 150** |
245 |
41 |
64 |
350 |
10 |
54 |
85 |
22 |
8-M16 |
8-M16 |
| 160 |
265 |
41 |
66 |
370 |
10 |
65 |
91 |
26 |
8-M20 |
8-M20 |
| (180) |
280 |
41 |
70 |
410 |
15 |
65 |
98 |
27 |
8-M20 |
8-M20 |
| 200 |
310 |
45 |
75 |
450 |
15 |
65 |
115 |
27 |
8-M20 |
8-M20 |
| (220) |
340 |
45 |
80 |
490 |
20 |
75 |
123 |
36 |
8-M24 |
12-M20 |
| 250 |
380 |
64 |
96 |
550 |
25 |
80 |
145 |
36 |
8-M24 |
12-M24 |
| 280** |
410 |
64 |
100 |
600 |
30 |
80 |
162 |
36 |
8-M24 |
12-M24 |
| 320 |
470 |
71 |
108 |
660 |
35 |
80 |
190 |
36 |
12-M24 |
16-M24 | |
|