|
|
|
|
| |
| 产品展示 >> Y-HG1冶锟斤拷液压锟斤拷 >> 尾锟斤拷锟斤拷锟斤拷锟斤拷锟斤拷锟斤拷液压锟阶帮拷装锟斤拷锟接尺达拷
|
共有 0 个产品
|
| |
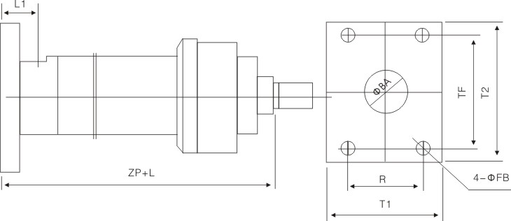
Y-HG1冶金液压缸外形尺寸 更多详情请点击下列系列分类进入!
尾部长方法兰型液压缸安装联接尺寸

表7
| 缸径D |
ZF |
R |
TF |
T2 |
T1 |
L1 |
ΦBA |
ΦFB |
| 40 |
206 |
40.6 |
98 |
120 |
65 |
42 |
20 |
9 |
| 50 |
225 |
48.2 |
116.4 |
140 |
75 |
38 |
30 |
11 |
| 63 |
249 |
55.5 |
134 |
164 |
85 |
50 |
38 |
13.5 |
| 80 |
282 |
63.1 |
152.5 |
200 |
100 |
68 |
55 |
17.5 |
| (90) |
302 |
70 |
168 |
210 |
115 |
75 |
55 |
22 |
| 100 |
332 |
76.5 |
184.8 |
230 |
120 |
79 |
68 |
22 |
| (110) |
342 |
83 |
200 |
245 |
130 |
82 |
60 |
22 |
| 125 |
357 |
90.2 |
217.1 |
260 |
155 |
82 |
80 |
22 |
|
|