产品目录  
     
SC标准气缸系列
SCD标准双轴系列
SCJ标准双轴可调系列
MAL铝合金迷你缸系列
SDA(QGY)超薄型气缸系列
MOB、HOB液压缸系列
SOB、ROB液压缸系列
HSG工程液压缸系列
Y-HG1冶金液压缸
DG车辆用液压油缸系列
NHS系列转角夹具油缸
薄型油缸系列
重型油缸系列
CD/CG250、CD/CG350重载液压缸
 

 
  产品展示 >> Y-HG1冶锟斤拷液压锟斤拷 >> 头锟斤拷圆锟斤拷锟斤拷锟斤拷液压锟阶帮拷装锟斤拷锟接尺达拷 共有 0 个产品
 

Y-HG1冶金液压缸外形尺寸 更多详情请点击下列系列分类进入!
 

    冶金设备用标准液压缸系列

普通型液压缸安装联接尺寸 头部长方法兰型液压缸安装联接尺寸
尾部长方法兰型液压缸安装联接尺寸 头部圆法兰型液压缸安装联接尺寸
尾部圆法兰型液压缸安装联接尺寸 头部方法兰型液压缸安装联接尺寸
尾部方法兰型液压缸安装联接尺寸 尾部单耳环型液压缸的安装联接尺寸
尾部方法兰型液压缸的安装联接尺寸 中间销轴型液压缸安装联接尺寸
尾部销轴液压缸的安装联接尺寸 轴向脚架型液压缸的安装联接尺寸


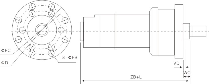
头部圆法兰型液压缸安装联接尺寸

Y-HG1-ED/dx ※※F3-※L1※

缸径D ZB VD WC ΦD ΦFC  ΦFB
40 198 3 16 126 106 9
50 213 4 18 150 126 11
63 234 4 20 175 145 13.5
80 260 4 22 200 165 17.5
(90) 280 4 23 228 185 22
100 310 5 25 245 200 22
(110) 320 5 25 260 215 22
125 335 5 28 280 235 22
(140) 345 5 30 300 255 22

 

缸径D ZB VD WC ΦD ΦFC ΦFB
150** 360 5 28 310 265 22
160 380 5 30 325 280 22
(180) 425 5 34 360 310 26
200 465 5 35 390 340 26
(220) 510 5 40 435 380 33
250 575 8 40 475 420 33
280** 630 8 44 525 470 39
320 695 8 45 585 520 39
地址:永嘉县乌牛镇河口埭西路32号电话:0577-67305800  传真:0577-67308565  技术支持及维护:网联信息技术有限公司