|
|
|
|
| |
| 产品展示 >> Y-HG1冶锟斤拷液压锟斤拷 >> 尾锟斤拷圆锟斤拷锟斤拷锟斤拷液压锟阶帮拷装锟斤拷锟接尺达拷
|
共有 0 个产品
|
| |
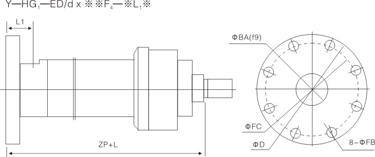
Y-HG1冶金液压缸外形尺寸 更多详情请点击下列系列分类进入!
尾部圆法兰型液压缸安装联接尺寸

| 缸径D |
ZP |
ΦD |
ΦFC |
ΦBA |
L1 |
ΦFB |
| 40 |
206 |
126 |
106 |
20 |
42 |
6 |
| 50 |
225 |
150 |
126 |
30 |
38 |
11 |
| 63 |
249 |
175 |
145 |
38 |
50 |
13.5 |
| 80 |
282 |
200 |
165 |
55 |
68 |
17.5 |
| (90) |
302 |
228 |
185 |
55 |
75 |
22 |
| 100 |
332 |
245 |
200 |
68 |
79 |
22 |
| (110) |
342 |
260 |
215 |
60 |
82 |
22 |
| 125 |
357 |
280 |
235 |
80 |
82 |
22 |
| (140) |
370 |
300 |
255 |
95 |
88 |
22 |
| 150** |
386 |
310 |
265 |
105 |
90 |
22 |
| 160 |
406 |
325 |
280 |
110 |
95 |
22 |
| (180) |
450 |
360 |
310 |
110 |
105 |
26 |
| 200 |
490 |
390 |
340 |
120 |
105 |
26 |
| (220) |
535 |
435 |
380 |
140 |
120 |
33 |
| 250 |
606 |
475 |
420 |
160 |
136 |
33 |
| 280** |
660 |
525 |
470 |
180 |
140 |
39 |
| 320 |
723 |
585 |
520 |
200 |
143 |
39 |
|
|