|
|
|
|
| |
| 产品展示 >> Y-HG1冶锟斤拷液压锟斤拷 >> 锟叫硷拷锟斤拷锟斤拷锟斤拷液压锟阶帮拷装锟斤拷锟接尺达拷
|
共有 0 个产品
|
| |
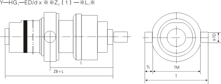
Y-HG1冶金液压缸外形尺寸 更多详情请点击下列系列分类进入!
中间铰轴安装连接尺寸

| 缸径D |
ZB |
T |
TM |
TL |
ΦTD |
| 40 |
198 |
122 |
90 |
16 |
20 |
| 50 |
213 |
145 |
105 |
20 |
25 |
| 63 |
234 |
170 |
120 |
25 |
32 |
| 80 |
260 |
199 |
135 |
32 |
40 |
| (90) |
280 |
217 |
145 |
36 |
45 |
| 100 |
310 |
240 |
160 |
40 |
50 |
| (110) |
320 |
265 |
175 |
45 |
55 |
| 125 |
335 |
295 |
195 |
50 |
63 |
| (140) |
345 |
320 |
210 |
55 |
70 |
| 150** |
360 |
345 |
225 |
60 |
75 |
| 160 |
380 |
366 |
240 |
63 |
80 |
| (180) |
425 |
405 |
265 |
70 |
90 |
| 200 |
465 |
455 |
295 |
80 |
100 |
| (220) |
510 |
510 |
330 |
90 |
110 |
| 250 |
575 |
570 |
370 |
100 |
125 |
| 280** |
630 |
640 |
420 |
110 |
140 |
| 320 |
695 |
720 |
470 |
125 |
160 |
注:1.**见上图所示

 |
|