|
|
|
|
| |
| 产品展示 >> MOB锟斤拷HOB液压锟斤拷系锟斤拷 >> HOB-FB锟斤拷锟酵革拷
|
共有 0 个产品
|
| |
MOB、HOB液压缸系列 更多详情请点击下列系列分类进入:
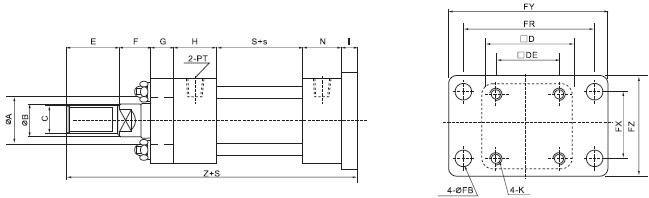
● HOB-FB型油缸

| 缸径 |
Φ A |
Φ B |
C |
□D |
□DE |
E |
F |
G |
H |
N |
I |
FB |
FR |
FX |
FY |
FZ |
K |
S |
Z |
PT |
| Φ40 |
40 |
25 |
M22X1.5 |
65 |
45 |
40 |
20 |
17 |
33 |
28 |
17 |
12 |
93 |
50 |
115 |
75 |
M10 |
50 |
205 |
ZG3/8 |
| Φ50 |
50 |
30 |
M26X1.5 |
80 |
56 |
40 |
20 |
17 |
38 |
30 |
17 |
13 |
110 |
56 |
150 |
85 |
M12 |
55 |
217 |
ZG3/8 |
| Φ63 |
50 |
35 |
M30X1.5 |
95 |
65 |
45 |
20 |
17 |
38 |
30 |
17 |
14 |
126 |
68 |
155 |
100 |
M14 |
55 |
222 |
ZG3/8 |
| Φ80 |
60 |
40 |
M30X1.5 |
110 |
80 |
45 |
20 |
20 |
38 |
35 |
28 |
18 |
152 |
75 |
190 |
120 |
M16 |
74 |
252 |
ZG1/2 |
| Φ100 |
80 |
50 |
M40X2 |
131 |
95 |
55 |
25 |
20 |
41 |
37 |
28 |
20 |
180 |
100 |
220 |
140 |
M18 |
84 |
282 |
ZG1/2 |
| Φ125 |
90 |
60 |
M52X2 |
162 |
122 |
70 |
35 |
28 |
57 |
47 |
30 |
24 |
222 |
122 |
280 |
170 |
M24 |
84 |
351 |
ZG3/4 |
| Φ160 |
110 |
80 |
M70X2 |
210 |
153 |
80 |
35 |
30 |
60 |
50 |
30 |
28 |
260 |
155 |
310 |
220 |
M27 |
90 |
375 |
ZG3/4 |
| Φ200 |
135 |
100 |
M90X2 |
262 |
193 |
120 |
40 |
40 |
65 |
60 |
45 |
35 |
355 |
207 |
425 |
272 |
M33 |
120 |
485 |
1" |
| Φ250 |
146 |
125 |
M110X2 |
330 |
246 |
140 |
50 |
45 |
80 |
70 |
45 |
40 |
410 |
250 |
510 |
340 |
M39 |
140 |
570 |
1" | |
|