|
|
|
|
| |
| 产品展示 >> MOB锟斤拷HOB液压锟斤拷系锟斤拷 >> MOB-LB锟斤拷锟酵革拷
|
共有 0 个产品
|
| |
MOB、HOB液压缸系列 更多详情请点击下列系列分类进入:
● MOB-LB型油缸
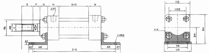
| 缸径 |
Φ A |
Φ B |
C |
□D |
□DE |
E |
F |
G |
H |
N |
K |
AB |
AR |
AY |
AT |
BN |
BH |
TR |
US |
S |
Z |
| Φ32 |
35 |
16 |
M14X1.5 |
52 |
36 |
28 |
10 |
15 |
25 |
25 |
M8 |
9 |
30 |
10 |
5 |
35 |
60 |
36 |
52 |
50 |
ZG1/4 |
| Φ40 |
40 |
20 |
M16X1.5 |
64 |
45 |
28 |
17 |
20 |
30 |
30 |
M8 |
9 |
38 |
12 |
6 |
45 |
77 |
45 |
68 |
50 |
ZG3/8 |
| Φ50 |
45 |
20 |
M16X1.5 |
70 |
50 |
28 |
17 |
20 |
30 |
30 |
M10 |
11 |
38 |
12 |
6 |
46 |
81 |
50 |
73 |
50 |
ZG3/8 |
| Φ63 |
55 |
25 |
M22X1.5 |
85 |
60 |
40 |
20 |
30 |
31 |
31 |
M10 |
11 |
38 |
12 |
6 |
53 |
96 |
60 |
88 |
50 |
ZG3/8 |
| Φ80 |
62 |
32 |
M26X1.5 |
106 |
74 |
40 |
20 |
32 |
37 |
37 |
M12 |
13 |
36 |
14 |
6 |
60 |
43 |
74 |
105 |
55 |
ZG1/2 |
| Φ100 |
78 |
40 |
M30X1.5 |
122 |
90 |
45 |
20 |
32 |
37 |
37 |
M14 |
16 |
48 |
22 |
9 |
78 |
139 |
90 |
127 |
80 |
ZG1/2 |
| Φ125 |
85 |
50 |
M40X2 |
147 |
110 |
55 |
25 |
35 |
44 |
44 |
M16 |
18 |
51 |
24 |
9 |
87 |
161 |
110 |
150 |
80 |
ZG1/2 |
| Φ160 |
100 |
60 |
M52X2 |
188 |
145 |
65 |
30 |
35 |
55 |
55 |
M20 |
22 |
53 |
30 |
12 |
100 |
194 |
145 |
193 |
80 |
ZG3/4 |
 |
|