|
|
|
|
| |
| 产品展示 >> MOB锟斤拷HOB液压锟斤拷系锟斤拷 >> MOB-FA锟斤拷锟酵革拷
|
共有 0 个产品
|
| |
MOB、HOB液压缸系列 更多详情请点击下列系列分类进入:
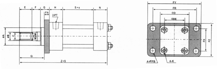
MOB-FA型油缸
| 缸径 |
Φ A |
Φ B |
C |
□D |
□DE |
E |
F |
G |
H |
N |
Q |
FA |
FB |
FR |
FX |
FY |
FZ |
K |
S |
Z |
PT |
| Φ32 |
35 |
16 |
M14X1.5 |
52 |
36 |
28 |
10 |
15 |
25 |
25 |
42 |
11 |
9 |
80 |
34 |
105 |
55 |
M8 |
50 |
153 |
ZG1/4 |
| Φ40 |
40 |
20 |
M16X1.5 |
64 |
45 |
28 |
17 |
20 |
30 |
30 |
54 |
11 |
12 |
93 |
50 |
115 |
72 |
M8 |
50 |
175 |
ZG3/8 |
| Φ50 |
45 |
20 |
M16X1.5 |
70 |
50 |
28 |
17 |
20 |
30 |
30 |
54 |
11 |
12 |
93 |
50 |
115 |
72 |
M10 |
50 |
175 |
ZG3/8 |
| Φ63 |
55 |
25 |
M22X1.5 |
85 |
60 |
40 |
20 |
30 |
31 |
31 |
76 |
14 |
14 |
117 |
60 |
140 |
90 |
M10 |
50 |
202 |
ZG3/8 |
| Φ80 |
62 |
32 |
M26X1.5 |
106 |
74 |
40 |
20 |
32 |
37 |
37 |
72 |
20 |
14 |
152 |
75 |
180 |
105 |
M12 |
55 |
221 |
ZG1/2 |
| Φ100 |
78 |
40 |
M30X1.5 |
122 |
90 |
45 |
20 |
32 |
37 |
37 |
77 |
20 |
16 |
158 |
90 |
200 |
125 |
M14 |
80 |
251 |
ZG1/2 |
| Φ125 |
85 |
50 |
M40X2 |
147 |
110 |
55 |
25 |
35 |
44 |
44 |
91 |
20 |
18 |
184 |
110 |
225 |
153 |
M16 |
80 |
283 |
ZG1/2 |
| Φ160 |
100 |
60 |
M52X2 |
188 |
145 |
65 |
30 |
35 |
55 |
55 |
108 |
22 |
22 |
230 |
125 |
290 |
194 |
M20 |
80 |
320 |
ZG3/4 |
 |
|