MOB、HOB液压缸系列 更多详情请点击下列系列分类进入:
MOB-L型活塞杆可调油缸
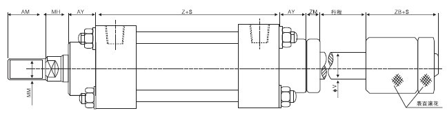
MOB-L型活塞杆可调系列油缸,前后盖安装尺寸均按MOB标准,其余尺度按下图.

| 缸径 |
MM |
V |
AM |
AH |
AY |
Z |
ZM |
ZB |
| 32 |
M14X1.5 |
16 |
28 |
10 |
15 |
100 |
10 |
35 |
| 40 |
M16X1.5 |
20 |
28 |
17 |
20 |
110 |
15 |
35 |
| 50 |
M16X1.5 |
20 |
28 |
17 |
20 |
110 |
15 |
45 |
| 63 |
M22X1.5 |
25 |
40 |
20 |
30 |
112 |
20 |
45 |
| 缸径 |
MM |
V |
AM |
AH |
AY |
Z |
ZM |
ZB |
| 80 |
M26X1.5 |
32 |
40 |
20 |
32 |
129 |
20 |
55 |
| 100 |
M30X1.5 |
40 |
45 |
20 |
32 |
154 |
20 |
65 |
| 125 |
M40X1.5 |
50 |
55 |
25 |
31 |
168 |
25 |
61 |
| 160 |
M52X2 |
60 |
65 |
30 |
35 |
190 |
25 |
65 |