|
|
|
|
| |
| 产品展示 >> SDA锟斤拷QGY锟斤拷锟斤拷锟斤拷锟斤拷锟斤拷锟斤拷系锟斤拷 >> 锟斤拷准锟斤拷:锟斤拷锟斤拷锟斤拷 锟斤拷锟斤拷锟斤拷
|
共有 0 个产品
|
| |
SDA(QGY)超薄型气缸系列 更多详情请点击下列系列分类进入!
● 订购代码
● 规格
| 内径(mm) |
12 |
16 |
20 |
25 |
32 |
40 |
50 |
63 |
80 |
100 |
| 作动型式 |
复动型押出型引入型 |
复动型 |
| 使用流体 |
空气 |
| 使用压力范围kgf/cm2 |
复动型 |
0.5-7.1 |
0.3-7.1 |
0.2-7.1 |
| 单动型 |
2.0-7.1 |
1.5-7.1 |
1.0-7.1 |
| 保证耐压力kgf/cm2 |
10.5 |
| 使用温度范围℃ |
0-60 |
| 使用速度范围mm/s |
复动型 |
30-500 |
30-500 |
30-500 |
| 单动型 |
100-500 |
- |
| 接管口径 |
M5X0.8 |
G1/8 |
G1/4 |
G3/8 |
● 标准行程
| 内径(mm) |
12 16 |
20 |
25 32 40 50 63 80 100 |
复 动 型 |
标 准 型 |
5-60mm 每5mm一级 |
5-90mm 每5mm一级 |
5-120mm 每5mm一级 |
附 磁 型 |
5-50mm 每5mm一级 |
5-80mm 每5mm一级 |
5-110mm 每5mm一级 |
单 动 型 |
标 准 型 |
5-30mm 每5mm一级 |
5-30mm 每5mm一级 |
5-30mm 每5mm一级 |
附 磁 型 |
5-30mm 每5mm一级 |
5-30mm 每5mm一级 |
5-30mm 每5mm一级 |
| 最大制作行程 |
60mm |
100mm |
130mm |
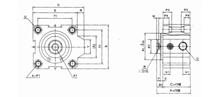
● 内部构造及主要零件
| ● 复动型 |
● 押出型 |
 |
 |
| ● 引入型 |
● 附磁型(SDAS) |
 |
 |
● O环一览表
| |
轴心迫紧 |
活塞O环 |
前后盖O环 |
| 动作型式 |
复 动 型 |
引入型 |
押 出 型 |
复 动 型 |
单 动 型 |
复 动 型 |
单 动 型 |
| 数量 |
1 |
- |
1 |
1 |
2 |
| 12 |
MYA-6 |
- |
APA-12 |
APA-12 |
S-14 |
| 16 |
MYA-6 |
- |
APA-16 |
APA-16 |
1.5X14.5 |
| 20 |
MYA-8 |
- |
APA-20 |
APA-20 |
1.5X19.5 |
| 25 |
MYA-10 |
- |
APA-25 |
APA-25 |
1.5X25.5 |
| 32 |
MYA-12 |
- |
APA-32 |
APA-32 |
1.5X31.5 |
| 40 |
MYA-16 |
- |
APA-40 |
APA-40 |
1.5X39.5 |
| 50 |
MYA-20 |
- |
APA-50 |
APA-50 |
1.5X49.5 |
| 63 |
MYA-20 |
- |
APA-63 |
|
1.5X62.5 |
| 80 |
MYA-25 |
- |
APA-80 |
|
1.5X79.5 |
| 100 |
MYA-32 |
- |
APA-100 |
|
1.5X98.5 |
| 内径 |
12 |
16 |
20 |
25 |
32 |
40 |
50 |
63 |
80 |
100 |
| 本体 |
铝合金 |
| 活塞 |
铝合金 |
| 轴心 |
不锈钢 |
高碳钢(硬铬处理) |
| 活塞O环 |
NBR |
| 轴心迫紧 |
NBR |
| 轴心轴承 |
无 |
含油S粉末治铜 |
| 前盖 |
铜 |
铝合金 |
| 后盖 |
铝合金 |
| C形扣环 |
中碳钢(镀镍处理) |
| 弹簧 |
不锈钢 |
- |
| 调整垫片 |
铝合金 |
| 消音片 |
粉末治钢 |
- |
| 磁石 |
树脂 |
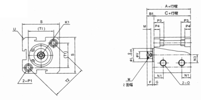
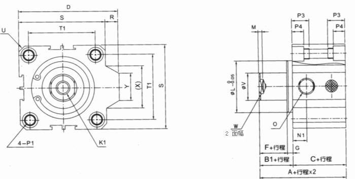
● 复动型规格:(SDA SDAS)
Φ12-Φ16

Φ20-Φ100

| 型式 |
标准型 |
附磁型 |
D |
F |
G |
K1 |
L |
M |
N1 |
M3 |
O |
| 内径/符号 |
A |
B1 |
C |
A |
B1 |
C |
| 12 |
22 |
5 |
17 |
32 |
5 |
27 |
- |
4 |
1 |
M3X0.5深6mm |
11 |
3 |
6.5 |
6 |
M5X0.8 |
| 16 |
24 |
5.5 |
18.5 |
34 |
5.5 |
28.5 |
- |
4 |
1.5 |
M3X0.5深6mm |
11 |
3 |
7 |
6.5 |
M5X0.8 |
| 20 |
25 |
5.5 |
19.5 |
35 |
5.5 |
29.5 |
36 |
4 |
1.5 |
M4X0.7深8mm |
15 |
3 |
7.5 |
- |
M5X0.8 |
| 25 |
27 |
6 |
21 |
37 |
6 |
31 |
42 |
4 |
2 |
M5X0.8深10mm |
17 |
3 |
8 |
- |
M5X0.8 |
| 32 |
31.5 |
7 |
24.5 |
41.5 |
7 |
34.5 |
50 |
4 |
3 |
M6X1深12mm |
22 |
3 |
9 |
- |
G1/8 |
| 40 |
33 |
7 |
26 |
43 |
7 |
36 |
58.5 |
4 |
3 |
M8X1.25深12mm |
28 |
3 |
10 |
- |
G1/8 |
| 50 |
37 |
9 |
28 |
47 |
9 |
38 |
71.5 |
5 |
4 |
M10X1.5深15m |
38 |
3 |
10 |
- |
G1/4 |
| 63 |
41 |
9 |
32 |
51 |
9 |
42 |
84.5 |
5 |
4 |
M10X1.5深15mm |
40 |
3 |
12 |
- |
G1/4 |
| 80 |
52 |
11 |
41 |
62 |
11 |
51 |
104 |
6 |
5 |
M14X1.5深20mm |
45 |
4 |
12.5 |
- |
G3/8 |
| 100 |
63 |
12 |
51 |
73 |
12 |
61 |
124 |
7 |
5 |
M18X1.5深20mm |
45 |
4 |
17 |
- |
G3/8 |
| 内径/符号 |
P1 |
P3 |
P4 |
R |
S |
T1 |
T2 |
U |
V |
W |
X |
Y |
Z |
| 12 |
双边:Φ6.5牙M5X0.8通孔:Φ3.5 |
12 |
4.5 |
- |
25 |
16.2 |
23 |
R16 |
6 |
5 |
- |
- |
1 |
| 16 |
双边:Φ6.5牙M5X0.8通孔:Φ3.5 |
12 |
4.5 |
- |
29 |
19.8 |
28 |
R19 |
6 |
5 |
- |
- |
1 |
| 20 |
双边:Φ6.5牙M5X0.8通孔:Φ3.5 |
14 |
4.5 |
2 |
34 |
24 |
- |
R22 |
8 |
6 |
12.3 |
10 |
1 |
| 25 |
双边:Φ8.0牙M6X1.0通孔:Φ4.6 |
15 |
5.5 |
2 |
40 |
28 |
- |
R25 |
10 |
8 |
12.3 |
10 |
1 |
| 32 |
双边:Φ8.0牙M6X1.0通孔:Φ4.6 |
16 |
5.5 |
6 |
44 |
34 |
- |
R29.5 |
12 |
10 |
22.9 |
16 |
1 |
| 40 |
双边:Φ9.5牙M8X1.25通孔:Φ5.7 |
20 |
7.5 |
6.5 |
52 |
40 |
- |
R35 |
16 |
14 |
23.5 |
16 |
1.6 |
| 50 |
双边:Φ1牙M8X1.25通孔:Φ6.8 |
25 |
8.5 |
9.5 |
62 |
48 |
- |
R41 |
20 |
17 |
31 |
20 |
1.6 |
| 63 |
双边:Φ11牙M8X1.25通孔:Φ6.8 |
25 |
8.5 |
9.5 |
75 |
60 |
- |
R50 |
20 |
17 |
31 |
20 |
1.6 |
| 80 |
双边:Φ14牙M12X1.75通孔:Φ9.2 |
25 |
10.5 |
10 |
94 |
74 |
- |
R62 |
25 |
22 |
37.5 |
26 |
1.6 |
| 100 |
双边:Φ17.5牙M14X2通孔:Φ11 |
30 |
13 |
10 |
114 |
90 |
- |
R75 |
32 |
27 |
37.5 |
26 |
2 |
34
● 复动型规格:(SSA SSAS)
Φ12-Φ16

Φ20-Φ100

| 型式 |
标准型 |
附磁型 |
D |
F |
G |
K1 |
L |
M |
N1 |
M3 |
O |
| 内径/符号 |
A |
B1 |
C |
A |
B1 |
C |
| 12 |
32 |
5 |
27 |
42 |
5 |
37 |
- |
4 |
1 |
M3X0.5深6mm |
11 |
3 |
6.5 |
6 |
M5X0.8 |
| 16 |
34 |
5.5 |
28.5 |
44 |
5.5 |
38.5 |
- |
4 |
1.5 |
M3X0.5深6mm |
11 |
3 |
7 |
6.5 |
M5X0.8 |
| 20 |
35 |
5.5 |
29.5 |
45 |
5.5 |
39.5 |
36 |
4 |
1.5 |
M4X0.7深8mm |
15 |
3 |
7.5 |
- |
M5X0.8 |
| 25 |
37 |
6 |
31 |
47 |
6 |
41 |
42 |
4 |
2 |
M5X0.8深10mm |
17 |
3 |
8 |
- |
M5X0.8 |
| 32 |
41.5 |
7 |
34.5 |
51.5 |
7 |
44.5 |
50 |
4 |
3 |
M6X1深12mm |
22 |
3 |
9 |
- |
G1/8 |
| 40 |
43 |
7 |
36 |
53 |
7 |
46 |
58.5 |
4 |
3 |
M8X1.25深12mm |
28 |
3 |
10 |
- |
G1/8 |
| 内径/符号 |
P1 |
P3 |
P4 |
R |
S |
T1 |
T2 |
U |
V |
W |
X |
Y |
Z |
| 12 |
双边:Φ6.5牙M5X0.8通孔:Φ3.5 |
12 |
4.5 |
- |
25 |
16.2 |
23 |
R16 |
6 |
5 |
- |
- |
1 |
| 16 |
双边:Φ6.5牙M5X0.8通孔:Φ3.5 |
12 |
4.5 |
- |
29 |
19.8 |
28 |
R19 |
6 |
5 |
- |
- |
1 |
| 20 |
双边:Φ6.5牙M5X0.8通孔:Φ3.5 |
14 |
4.5 |
2 |
34 |
24 |
- |
R22 |
8 |
6 |
12.3 |
10 |
1 |
| 25 |
双边:Φ8.0牙M6X1.0通孔:Φ4.6 |
15 |
5.5 |
2 |
40 |
28 |
- |
R25 |
10 |
8 |
12.3 |
10 |
1 |
| 32 |
双边:Φ8.0牙M6X1.0通孔:Φ4.6 |
16 |
5.5 |
6 |
44 |
34 |
- |
R29.5 |
12 |
10 |
22.9 |
16 |
1 |
| 40 |
双边:Φ9.5牙M8X1.25通孔:Φ5.7 |
20 |
7.5 |
6.5 |
52 |
40 |
- |
R35 |
16 |
14 |
23.5 |
16 |
1.6 |
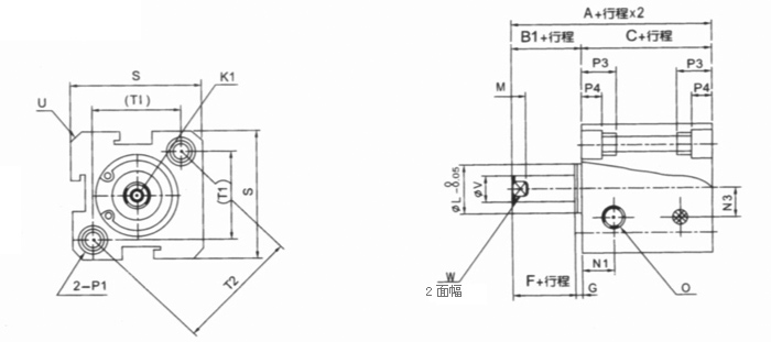
● 复动型规格(STA STAS)
Φ12-Φ16

Φ20-Φ100

| 型式 |
标准型 |
附磁型 |
D |
F |
G |
K1 |
L |
M |
N1 |
M3 |
O |
| 内径/符号 |
A |
B1 |
C |
A |
B1 |
C |
| 12 |
32 |
5 |
27 |
42 |
5 |
37 |
- |
4 |
1 |
M3X0.5深6mm |
11 |
3 |
6.5 |
6 |
M5X0.8 |
| 16 |
34 |
5.5 |
28.5 |
44 |
5.5 |
38.5 |
- |
4 |
1.5 |
M3X0.5深6mm |
11 |
3 |
7 |
6.5 |
M5X0.8 |
| 20 |
35 |
5.5 |
29.5 |
45 |
5.5 |
39.5 |
36 |
4 |
1.5 |
M4X0.7深8mm |
15 |
3 |
7.5 |
- |
M5X0.8 |
| 25 |
37 |
6 |
31 |
47 |
6 |
41 |
42 |
4 |
2 |
M5X0.8深10mm |
17 |
3 |
8 |
- |
M5X0.8 |
| 32 |
41.5 |
7 |
34.5 |
51.5 |
7 |
44.5 |
50 |
4 |
3 |
M6X1深12mm |
22 |
3 |
9 |
- |
G1/8 |
| 40 |
43 |
7 |
36 |
53 |
7 |
46 |
58.5 |
4 |
3 |
M8X1.25深12mm |
28 |
3 |
10 |
- |
G1/8 |
| 内径/符号 |
P1 |
P3 |
P4 |
R |
S |
T1 |
T2 |
U |
V |
W |
X |
Y |
Z |
| 12 |
双边:Φ6.5牙M5X0.8通孔:Φ3.5 |
12 |
4.5 |
- |
25 |
16.2 |
23 |
R16 |
6 |
5 |
- |
- |
1 |
| 16 |
双边:Φ6.5牙M5X0.8通孔:Φ3.5 |
12 |
4.5 |
- |
29 |
19.8 |
28 |
R19 |
6 |
5 |
- |
- |
1 |
| 20 |
双边:Φ6.5牙M5X0.8通孔:Φ3.5 |
14 |
4.5 |
2 |
34 |
24 |
- |
R22 |
8 |
6 |
12.3 |
10 |
1 |
| 25 |
双边:Φ8.0牙M6X1.0通孔:Φ4.6 |
15 |
5.5 |
2 |
40 |
28 |
- |
R25 |
10 |
8 |
12.3 |
10 |
1 |
| 32 |
双边:Φ8.0牙M6X1.0通孔:Φ4.6 |
16 |
5.5 |
6 |
44 |
34 |
- |
R29.5 |
12 |
10 |
22.9 |
16 |
1 |
| 40 |
双边:Φ9.5牙M8X1.25通孔:Φ5.7 |
20 |
7.5 |
6.5 |
52 |
40 |
- |
R35 |
16 |
14 |
23.5 |
16 |
1.6 |
● 外牙规格
| Φ12-Φ16 |
Φ20-Φ100 |
 |
 |
| 内径/符号 |
B2 |
E |
F |
G |
H |
I |
J |
K2 |
L |
M |
V |
W |
| 12 |
17 |
16 |
4 |
1 |
10 |
8 |
4 |
M5X0.8 |
11 |
3 |
6 |
65 |
| 16 |
17.5 |
16 |
4 |
1.5 |
10 |
8 |
4 |
M5X08 |
11 |
3 |
6 |
5 |
| 20 |
20.5 |
19 |
4 |
1.5 |
13 |
10 |
5 |
M6X1.0 |
15 |
3 |
8 |
6 |
| 25 |
23 |
21 |
4 |
2 |
15 |
12 |
5 |
M8X1.25 |
17 |
3 |
10 |
8 |
| 32 |
25 |
22 |
4 |
3 |
15 |
14 |
6 |
M10X1.25 |
22 |
3 |
12 |
1 |
| 40 |
35 |
32 |
4 |
3 |
25 |
19 |
8 |
M14X1.5 |
28 |
3 |
16 |
14 |
| 50 |
37 |
33 |
5 |
4 |
25 |
27 |
11 |
M18X1.5 |
38 |
3 |
20 |
18 |
| 63 |
37 |
33 |
5 |
4 |
25 |
27 |
11 |
M18X1.5 |
40 |
3 |
20 |
18 |
| 80 |
44 |
39 |
6 |
5 |
30 |
32 |
13 |
M22X1.5 |
45 |
4 |
25 |
22 |
| 100 |
50 |
45 |
7 |
5 |
35 |
36 |
13 |
M26X1.5 |
55 |
4 |
32 |
27 | |
|