产品目录  
     
SC标准气缸系列
SCD标准双轴系列
SCJ标准双轴可调系列
MAL铝合金迷你缸系列
SDA(QGY)超薄型气缸系列
MOB、HOB液压缸系列
SOB、ROB液压缸系列
HSG工程液压缸系列
Y-HG1冶金液压缸
DG车辆用液压油缸系列
NHS系列转角夹具油缸
薄型油缸系列
重型油缸系列
CD/CG250、CD/CG350重载液压缸
 

 
  产品展示 >> SDA锟斤拷QGY锟斤拷锟斤拷锟斤拷锟斤拷锟斤拷锟斤拷系锟斤拷 >> 双锟斤拷傻锟斤拷谐锟斤拷锟?锟斤拷锟斤拷锟斤拷 锟斤拷锟斤拷锟斤拷 共有 0 个产品
  SDA(QGY)超薄型气缸系列 更多详情请点击下列系列分类进入!
标准型:复动型 单动型 双轴型:复动型 单动型 双轴可调行程型:复动型 单动型

订购代码
 
内部构造及主要零件  
复动型(SDAD) 单动型(SSDA)
附磁型(SDADS)  
 


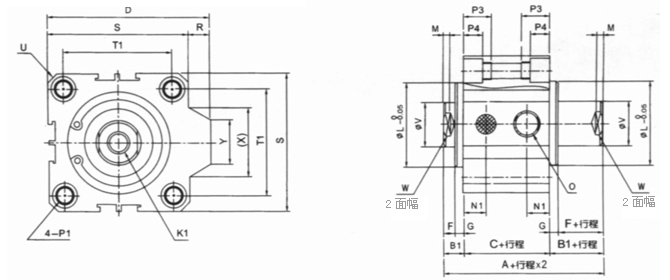
复动型规格:(SSAJ SSAJS)

Φ12-Φ16

Φ20-Φ100

型式 标准型 附磁型 D F G K1 L M N1 M3 O
内径/符号 A B1 C A B1 C
12 22 5 17 32 5 27 - 4 1 M3X0.5深6mm 11 3 6.5 6 M5X0.8
16 24 5.5 18.5 34 5.5 28.5 - 4 1.5 M3X0.5深6mm 11 3 7 6.5 M5X0.8
20 25 5.5 19.5 35 5.5 29.5 36 4 1.5 M4X0.7深8mm 15 3 7.5 - M5X0.8
25 27 6 21 37 6 31 42 4 2 M5X0.8深10mm 17 3 8 - M5X0.8
32 31.5 7 24.5 41.5 7 34.5 50 4 3 M6X1深12mm 22 3 9 - G1/8
40 33 7 26 43 7 36 58.5 4 3 M8X1.25深12mm 28 3 10 - G1/8
50 37 9 28 47 9 38 71.5 5 4 M10X1.5深15m 38 3 10 - G1/4
63 41 9 32 51 9 42 84.5 5 4 M10X1.5深15mm 40 3 12 - G1/4
80 52 11 41 62 11 51 104 6 5 M14X1.5深20mm 45 4 12.5 - G3/8
100 63 12 51 73 12 61 124 7 5 M18X1.5深20mm 45 4 17 - G3/8

 

内径/符号 P1 P3 P4 R S T1 T2 U V W X Y Z
12 双边:Φ6.5牙M5X0.8通孔:Φ3.5 12 4.5 - 25 16.2 23 R16 6 5 - - 1
16 双边:Φ6.5牙M5X0.8通孔:Φ3.5 12 4.5 - 29 19.8 28 R19 6 5 - - 1
20 双边:Φ6.5牙M5X0.8通孔:Φ3.5 14 4.5 2 34 24 - R22 8 6 12.3 10 1
25 双边:Φ8.0牙M6X1.0通孔:Φ4.6 15 5.5 2 40 28 - R25 10 8 12.3 10 1
32 双边:Φ8.0牙M6X1.0通孔:Φ4.6 16 5.5 6 44 34 - R29.5 12 10 22.9 16 1
40 双边:Φ9.5牙M8X1.25通孔:Φ5.7 20 7.5 6.5 52 40 - R35 16 14 23.5 16 1.6
50 双边:Φ1牙M8X1.25通孔:Φ6.8 25 8.5 9.5 62 48 - R41 20 17 31 20 1.6
63 双边:Φ11牙M8X1.25通孔:Φ6.8 25 8.5 9.5 75 60 - R50 20 17 31 20 1.6
80 双边:Φ14牙M12X1.75通孔:Φ9.2 25 10.5 10 94 74 - R62 25 22 37.5 26 1.6
100 双边:Φ17.5牙M14X2通孔:Φ11 30 13 10 114 90 - R75 32 27 37.5 26 2



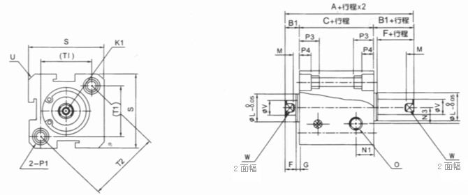
复动型规格:(SSAJ SSAJS)

Φ12-Φ16

Φ20-Φ100

型式 标准型 附磁型 D F G K1 L M N1 M3 O
内径/符号 A B1 C A B1 C
12 61 5 27 71 5 37 - 4 1 M3X0.5深6mm 11 3 6.5 6 M5X0.8
16 63.5 5.5 28.5 49.5 5.5 38.5 - 4 1.5 M3X0.5深6mm 11 3 7 6.5 M5X0.8
20 63.5 5.5 29.5 75.5 5.5 39.5 36 4 1.5 M4X0.7深8mm 15 3 7.5 - M5X0.8
25 68 6 31 78 6 41 42 4 2 M5X0.8深10mm 17 3 8 - M5X0.8
32 74.5 7 34.5 84.5 7 44.5 50 4 3 M6X1深12mm 22 3 9 - G1/8
40 78 7 36 88 7 46 58.5 4 3 M8X1.25深12mm 28 3 10 - G1/8

 

内径/符号 P1 P3 P4 Q R S T1 T2 U V W X Y Z
12 双边:Φ6.5牙M5X0.8通孔:Φ3.5 12 4.5 20 - 25 16.2 23 R16 6 5 - - 1
16 双边:Φ6.5牙M5X0.8通孔:Φ3.5 12 4.5 20 - 29 19.8 28 R19 6 5 - - 1
20 双边:Φ6.5牙M5X0.8通孔:Φ3.5 14 4.5 20 2 34 24 - R22 8 6 12.3 10 1
25 双边:Φ8.0牙M6X1.0通孔:Φ4.6 15 5.5 20 2 40 28 - R25 10 8 12.3 10 1
32 双边:Φ8.0牙M6X1.0通孔:Φ4.6 16 5.5 20 6 44 34 - R29.5 12 10 22.9 16 1
40 双边:Φ9.5牙M8X1.25通孔:Φ5.7 20 7.5 20 6.5 52 40 - R35 16 14 23.5 16 1.6
地址:永嘉县乌牛镇河口埭西路32号电话:0577-67305800  传真:0577-67308565  技术支持及维护:网联信息技术有限公司