|
|
|
|
| |
| 产品展示 >> MAL锟斤拷锟较斤拷锟斤拷锟斤拷锟较碉拷锟?SmallClassName=双锟斤拷傻锟斤拷停锟斤拷锟斤拷锟斤拷锟? >> 所有小类
|
共有 0 个产品
|
| |
● 气缸出力览表:(kgf/cm2)
● 规格
| 内径(mm) |
20 |
25 |
32 |
40 |
| 作动型式 |
复动型 |
| 使用流体 |
空气 |
| 固定型式 |
基本型 LB型 FA型 |
| 使用压力范围kgf/cm2 |
0.4∽9.0 |
| 保证耐压力kgf/cm2 |
13.5 |
| 使用温度范围℃ |
0∽70 |
| 使用速度范围mm/s |
50∽800 |
| 接管口径 |
G1/8 |
G1/4 |
● 气缸行程
| 内径(mm) |
标准行程 |
最大行程 |
容许行程 |
| 20 |
25 50 75 100 125 150 175 200 |
500 |
800 |
| 25 |
25 50 75 100 125 150 175 200 225 250 |
800 |
1200 |
| 32 |
25 50 75 100 125 150 175 200 225 250 |
800 |
1200 |
| 40 |
25 50 75 100 125 150 175 200 225 250 |
1000 |
1500 |
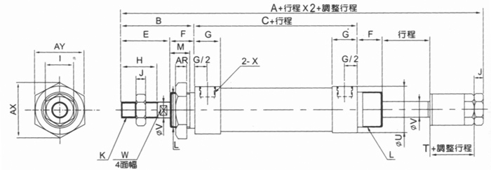
● 基本型尺寸

| 内径/符号 |
A |
B |
C |
E |
F |
G |
H |
I |
J |
K |
L |
M |
T |
U |
V |
W |
X |
AR |
AX |
AY |
| 20 |
147 |
40 |
70 |
28 |
12 |
16 |
20 |
12 |
5 |
M8X1.25 |
M22X1.5 |
10 |
20 |
30 |
8 |
6 |
G1/8 |
7 |
33 |
29 |
| 25 |
154 |
40 |
70 |
30 |
14 |
16 |
22 |
17 |
6 |
M10X1.25 |
M22X1.5 |
12 |
20 |
34 |
10 |
8 |
G1/8 |
7 |
33 |
29 |
| 32 |
154 |
40 |
70 |
30 |
14 |
16 |
22 |
17 |
6 |
M10X1.25 |
M24X2.0 |
12 |
20 |
39 |
12 |
10 |
G1/8 |
8 |
37 |
32 |
| 40 |
179 |
46 |
92 |
32 |
14 |
22 |
24 |
19 |
7 |
M12X1.25 |
M30X2.0 |
12 |
20 |
49 |
16 |
14 |
G1/8 |
9 |
47 |
41 |
● FA型尺寸


| 内径/符号 |
A |
B |
C |
E |
F |
G |
H |
I |
J |
K |
L |
M |
T |
U |
V |
W |
X |
AR |
AX |
AY |
BB |
BC |
BD |
BE |
BF |
BP |
| 20 |
147 |
40 |
70 |
28 |
12 |
16 |
20 |
12 |
5 |
M8X1.25 |
M22X1.5 |
10 |
20 |
30 |
8 |
6 |
G1/8 |
7 |
33 |
29 |
4 |
38 |
- |
64 |
50 |
6.5 |
| 25 |
154 |
40 |
70 |
30 |
14 |
16 |
22 |
17 |
6 |
M10X1.25 |
M22X1.5 |
12 |
20 |
34 |
10 |
8 |
G1/8 |
7 |
33 |
29 |
4 |
38 |
- |
64 |
50 |
6.5 |
| 32 |
154 |
40 |
70 |
30 |
14 |
16 |
22 |
17 |
6 |
M10X1.25 |
M24X2.0 |
12 |
20 |
39 |
12 |
10 |
G1/8 |
8 |
37 |
32 |
4 |
47 |
33 |
72 |
58 |
6.5 |
| 40 |
179 |
46 |
92 |
32 |
14 |
22 |
24 |
19 |
7 |
M12X1.25 |
M30X2.0 |
12 |
20 |
49 |
16 |
14 |
G1/8 |
9 |
47 |
41 |
4.5 |
50 |
36 |
84 |
70 |
6.5 |
● 基本型尺寸

| 内径/符号 |
A |
B |
C |
E |
F |
G |
H |
I |
J |
K |
L |
M |
T |
U |
V |
W |
X |
| 20 |
147 |
40 |
70 |
28 |
12 |
16 |
20 |
12 |
5 |
M8X1.25 |
M22X1.5 |
10 |
20 |
30 |
8 |
6 |
G1/8 |
| 25 |
154 |
44 |
70 |
30 |
14 |
16 |
22 |
17 |
6 |
M10X1.25 |
M22X1.5 |
12 |
20 |
34 |
10 |
8 |
G1/8 |
| 32 |
154 |
44 |
70 |
30 |
14 |
16 |
22 |
17 |
6 |
M10X1.25 |
M24X2.0 |
12 |
20 |
39 |
12 |
10 |
G1/8 |
| 40 |
179 |
46 |
92 |
32 |
14 |
22 |
24 |
19 |
7 |
M12X1.25 |
M30X2.0 |
12 |
20 |
49 |
16 |
14 |
G1/4 |
| 内径/符号 |
AA |
AB |
AC |
AE |
AF |
AH |
AJ |
AL |
AP |
AQ |
AR |
AT |
AX |
AY |
| 20 |
116 |
25 |
100 |
54 |
40 |
25 |
17 |
15 |
6.5 |
8 |
7 |
3.2 |
33 |
29 |
| 25 |
116 |
29 |
100 |
54 |
40 |
25 |
17 |
15 |
6.5 |
8 |
7 |
3.2 |
33 |
29 |
| 32 |
136 |
19 |
120 |
59 |
45 |
32 |
19 |
25 |
6.5 |
8 |
8 |
4 |
37 |
32 |
| 40 |
158 |
21 |
142 |
64 |
50 |
36 |
23 |
25 |
6.5 |
8 |
9 |
4 |
47 |
41 |
● 鱼眼接头尺寸

| 内径/符号 |
PA |
PB |
PC |
PD |
PE |
PF |
PG |
PH |
PI |
PJ |
PK |
PL |
PM |
| 20 |
8 |
12 |
9 |
10.4 |
22 |
36 |
47 |
M8X1.25 |
17 |
16 |
12.5 |
5 |
14 |
| 25 |
10 |
14 |
11 |
12.9 |
26 |
43 |
56 |
M10X1.25 |
21 |
19 |
15 |
6.5 |
17 |
| 32 |
12 |
16 |
12 |
15.4 |
30 |
50 |
65 |
M12X1.25 |
24 |
22 |
17.5 |
6.5 |
19 | |
|