产品目录  
     
SC标准气缸系列
SCD标准双轴系列
SCJ标准双轴可调系列
MAL铝合金迷你缸系列
SDA(QGY)超薄型气缸系列
MOB、HOB液压缸系列
SOB、ROB液压缸系列
HSG工程液压缸系列
Y-HG1冶金液压缸
DG车辆用液压油缸系列
NHS系列转角夹具油缸
薄型油缸系列
重型油缸系列
CD/CG250、CD/CG350重载液压缸
 

 
  产品展示 >> SC锟斤拷准锟斤拷锟斤拷系锟斤拷 >> QGB锟斤拷QGA锟斤拷通锟斤拷锟斤拷系锟斤拷 共有 0 个产品
 

SC标准气缸系列 更多详情请点击下列系列分类进入!

气缸理论输出力 SC标准气缸系列 SCD标准双轴系列 SCJ标准双轴可调系列
SCT多位标准缸可调系列 标准气缸系列附件 QGB、QGA普通气缸系列 SG2Y气液增压缸系列

气缸系列型式表示法

订货举例

例:您如需订购,缸径Φ125行程,有缓冲带脚架的气缸时请在订单上写清:QCB125X250-LB型.

订货说明

1、用户可以依据自己的需要,在样本规定的范围内,任意订购所需行程,规格的气缸,若超出规定范围,可协商订货。
2、用户对活塞连接罗纹,行程长度,按装尺寸等、特殊要求敬请详细说明,协商订货。
3、如需加工特制气缸,请用户来图或来样品协商订货。

气缸结构范围

序号 零件名称 序号 零件名称
1 罗帽 11 O型密封圈
2 活塞杆 12 活塞Y型密封圈
3 防压密封圈 13 耐磨导向环
4 无油润活轴 14 活塞
5 前盖 15 后盖
6 拉杆罗帽 16 内六角螺丝
7 拉杆 17 弹簧垫圈
8 O型密封圈 18 平垫
9 缓动密封圈 19 调节针阀
10 缸筒 20 调节针阀封圈

圆开符号

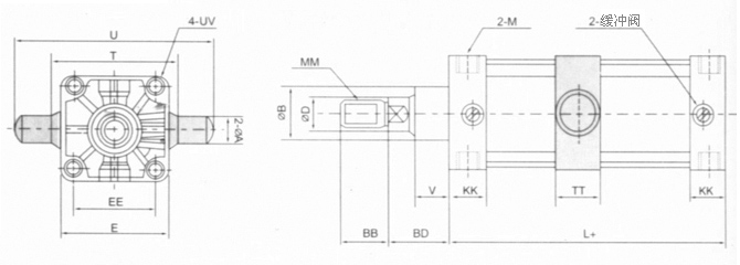
基本型(QCB、QGA)气缸

缸径 E EE B BB BD MM M KK L D UV V
125 140 110 60 54 50 M27X2 G1/2 40 149 32 M12 32
160 180 145 80 72 75 M36X2 G3/4 45 180 40 M16 45
200 220 180 80 72 80 M36X2 G3/4 50 182 45 M16 50
250 280 225 90 84 95 M42X2 1" 50 192 50 M20 65
320 350 280 105 80 105 M48X2 1" 60 214 60 M24 65
400 430 340 150 80 105 M56X3 1" 65 240 80 M30 65

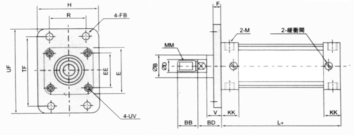
FA前法兰式(QGB、QGA气缸)

缸径 E EE B BB BD MM M KK L D UV V H F FB R TF UF
125 140 110 60 54 50 M27X2 G1/2 40 149 32 M12 32 140 140 16 90 180 224
160 180 145 80 72 75 M36X2 G3/4 45 180 40 M16 45 180 180 18 115 230 280
200 220 180 80 72 80 M36X2 G3/4 50 182 45 M16 50 220 220 25 135 270 320
250 280 225 90 84 95 M42X2 1" 50 192 50 M20 65 280 280 26 165 330 385
320 350 280 105 80 105 M48X2 1" 60 214 60 M24 65 350 350 33 200 400 470
400 430 340 150 80 105 M56X3 1" 65 240 80 M30 65 430 430 89 330 500 570


FB后法兰式(QGB、QGA气缸)

缸径 E EE B BB BD MM M KK L D UV V H F FB R TF UF
125 140 110 60 54 50 M27X2 G1/2 40 149 32 M12 32 140 140 16 90 180 224
160 180 145 80 72 75 M36X2 G3/4 45 180 40 M16 45 180 180 18 115 230 280
200 220 180 80 72 80 M36X2 G3/4 50 182 45 M16 50 220 220 25 135 270 320
250 280 225 90 84 95 M42X2 1" 50 192 50 M20 65 280 280 26 165 330 385
320 350 280 105 80 105 M48X2 1" 60 214 60 M24 65 350 350 33 200 400 470
400 430 340 150 80 105 M56X3 1" 65 240 80 M30 65 430 430 89 330 500 570

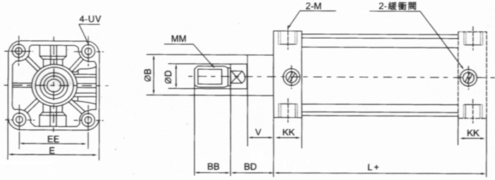
TC中间摆动式(QGB、QGA气缸)

缸径 E EE B BB BD MM M KK L D UV V A T TT U
125 140 110 60 54 50 M27X2 G1/2 40 149 32 M12 32 32 169 38 239
160 180 145 80 72 75 M36X2 G3/4 45 180 40 M16 40 40 219 38 295
200 220 180 80 72 80 M36X2 G3/4 50 182 45 M16 50 50 266 44 346
250 280 225 90 84 95 M42X2 1" 50 192 50 M20 65 65 323 50 403
320 350 280 105 80 105 M48X2 1" 60 214 60 M24 65 65 403 55 493
400 430 340 150 80 105 M56X3 1" 65 240 80 M30 65 65 500 60 640


CA后单耳式(QGB、QGA气缸)

缸径 E EE B BB BD MM M KK L D UV V BL CD EW MR
125 140 110 60 54 50 M27X2 G1/2 40 149 32 M12 32 50 25 70 25
160 180 145 80 72 75 M36X2 G3/4 45 180 40 M16 45 55 30 90 30
200 220 180 80 72 80 M36X2 G3/4 50 182 45 M16 50 60 30 90 30
250 280 225 90 84 95 M42X2 1" 50 192 50 M20 65 75 40 110 40
320 350 280 105 80 105 M48X2 1" 60 214 60 M24 65 85 45 120 45
400 430 340 150 80 105 M56X3 1" 65 240 80 M30 65 110 60 130 60

CB后双耳林(QGB、QGA气缸)

缸径 E EE B BB BD MM M KK L D UV V BL CB CD CW MR
125 140 110 60 54 50 M27X2 G1/2 40 149 32 M12 32 50 70 25 30 25
160 180 145 80 72 75 M36X2 G3/4 45 180 40 M16 45 55 90 30 40 30
200 220 180 80 72 80 M36X2 G3/4 50 182 45 M16 50 60 90 30 45 30
250 280 225 90 84 95 M42X2 1" 50 192 50 M20 65 75 110 40 45 40
320 350 280 105 80 105 M48X2 1" 60 214 60 M24 65 85 120 45 50 45
400 430 340 150 80 105 M56X3 1" 65 240 80 M30 65 110 130 60 65 60


LB脚架式(QGB、QGA气缸)

缸径 E EE B BB BD MM M KK L D UV V AB AH AO AT R SA ZA
125 140 110 60 54 50 M27X2 G1/2 40 149 32 M12 32 16 18 18 8 90 242 140
160 180 145 80 72 75 M36X2 G3/4 45 180 40 M16 45 18 20 20 8 115 298 180
200 220 180 80 72 80 M36X2 G3/4 50 182 45 M16 50 22 30 30 10 135 320 220
250 280 225 90 84 95 M42X2 1" 50 192 50 M20 65 26 35 35 14 165 352 280
320 350 280 105 80 105 M48X2 1" 60 214 60 M24 65 33 35 35 16 200 374 350
400 430 340 150 80 105 M56X3 1" 65 240 80 M30 65 39 50 50 20 330 420 430
地址:永嘉县乌牛镇河口埭西路32号电话:0577-67305800  传真:0577-67308565  技术支持及维护:网联信息技术有限公司