|
|
|
|
| |
| 产品展示 >> SC锟斤拷准锟斤拷锟斤拷系锟斤拷 >> 锟斤拷准锟斤拷锟斤拷系锟叫革拷锟斤拷
|
共有 0 个产品
|
| |
SC标准气缸系列 更多详情请点击下列系列分类进入!
SC标准缸附件尺寸
● LB型尺寸
 |
| 符号/内径 |
32 |
40 |
50 |
63 |
80 |
100 |
| AA |
153 |
169 |
173 |
184 |
199 |
209 |
| AC |
134 |
140 |
149 |
158 |
167 |
173 |
| AD |
9.5 |
14.5 |
12 |
13 |
16 |
18 |
| AE |
50 |
57 |
68 |
80 |
97 |
112 |
| AF |
33 |
36 |
47 |
56 |
70 |
84 |
| AG |
20.5 |
23.5 |
28 |
31 |
30 |
30 |
| AH |
28 |
30 |
36.5 |
41 |
49 |
57 |
| AP |
9 |
12 |
12 |
12 |
14 |
14 |
| AT |
3 |
3 |
3 |
3 |
4 |
4 | |
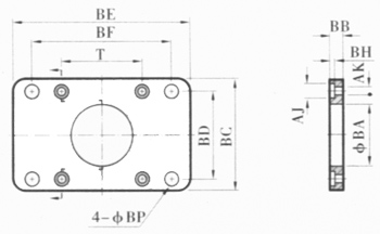
● FA、FB型尺AH寸
 |
| 符号/内径 |
32 |
40 |
50 |
63 |
80 |
100 |
| BA |
28.3 |
32.3 |
38.3 |
38.3 |
47.3 |
47.3 |
| BB |
10 |
10 |
10 |
12 |
16 |
16 |
| BC |
47 |
52 |
65 |
76 |
95 |
115 |
| BD |
33 |
36 |
47 |
56 |
70 |
84 |
| BE |
72 |
84 |
104 |
116 |
143 |
162 |
| BF |
58 |
70 |
86 |
98 |
119 |
138 |
| BH |
6.5 |
6.5 |
6.5 |
8.5 |
10.5 |
10.5 |
| AJ |
10.5 |
10.5 |
10.5 |
13.5 |
16.5 |
16.5 |
| AK |
6.5 |
6.5 |
6.5 |
8.5 |
10.5 |
10.5 |
| BP |
7 |
7 |
9 |
9 |
11 |
11 |
| T |
33 |
37 |
47 |
56 |
70 |
84 | |
● CA型尺寸
 |
| 符号/内径 |
32 |
40 |
50 |
63 |
80 |
100 |
| S |
48 |
50 |
50 |
62 |
94 |
112 |
| T |
33 |
37 |
37 |
47 |
70 |
84 |
| DC |
34 |
34 |
34 |
34 |
48 |
48 |
| DD |
14 |
14 |
14 |
15 |
20 |
20 |
| DE |
12 |
14 |
14 |
14 |
20 |
20 |
| DJ |
14 |
14 |
14 |
15 |
20 |
20 |
| DQ |
16 |
20 |
20 |
20 |
32 |
32 | |
● CB型尺寸
 |
| 符号/内径 |
32 |
40 |
50 |
63 |
80 |
100 |
| CC |
19 |
19 |
19 |
19 |
32 |
32 |
| CD |
5 |
5 |
3 |
3 |
8 |
8 |
| CE |
12 |
14 |
14 |
14 |
20 |
20 |
| CJ |
13 |
13 |
15 |
15 |
21 |
21 |
| CP |
16.3 |
20.3 |
20.3 |
20.3 |
32.3 |
32.3 |
| CT |
32 |
44 |
52 |
52 |
64 |
64 |
| PA1 |
41 |
51.8 |
60.3 |
60.3 |
73.8 |
73.8 |
| PB1 |
33.5 |
45.5 |
54 |
54 |
65.5 |
65.5 |
| S |
48 |
50 |
74 |
74 |
94 |
112 |
| T |
33 |
37 |
56 |
56 |
70 |
84 | |
● TC、SU型尺寸

| 符号/内径 |
EB |
EC |
ED |
EE |
EG |
EP |
ET |
S |
| 40 |
113 |
63 |
37 |
63 |
25 |
25 |
30 |
45.5 |
| 50 |
126 |
76 |
47 |
76 |
25 |
25 |
30 |
55.5 |
| 63 |
138 |
88 |
56 |
88 |
25 |
25 |
30 |
68.5 |
| 80 |
164 |
114 |
70 |
114 |
25 |
25 |
35 |
87.5 |
| 100 |
182 |
132 |
84 |
132 |
25 |
25 |
40 |
107.5 |
● 接头尺寸

| 符号/内径 |
NA |
NB |
NC |
ND |
NE |
NF |
NG |
NH |
NJ |
NK |
NM |
NP |
NQ |
PA |
PB |
| 32 |
19 |
20 |
10 |
40 |
52 |
15 |
20 |
M10X1.25 |
12 |
18 |
10 |
20 |
52 |
25 |
19.5 |
| 40 |
25.4 |
24 |
12 |
48 |
67 |
24 |
20 |
M10X1.25 |
20 |
23 |
12 |
24 |
62 |
32.8 |
26.5 |
| 50 |
32 |
32 |
16 |
64 |
89 |
32 |
23 |
M16X1.5 |
22 |
30 |
16 |
32 |
83 |
39.3 |
33 |
| 63 |
32 |
32 |
16 |
64 |
89 |
32 |
23 |
M16X1.5 |
22 |
30 |
16 |
32 |
83 |
39.3 |
33 |
| 80 |
44.4 |
40 |
20 |
80 |
112 |
40 |
30 |
M20X1.5 |
30 |
39 |
20 |
40 |
105 |
53.5 |
45 |
| 100 |
44.4 |
40 |
20 |
80 |
112 |
40 |
30 |
M20X1.5 |
30 |
39 |
20 |
40 |
105 |
53.5 |
45 | |
|